#LEIprojektai
🌱 LEI Vandenilio energetikos technologijų centras bendradarbiaudamas su VDU ir LSMU įgyvendina projektą „Inovatyvios technologijos biologiškai aktyvių augalų metabolitų produkcijai didinti“.
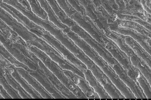
Žemiau galite matyti pluoštinių kanapių sėklų paviršiaus morfologijos nuotraukas esant skirtingiems didinimams (x30, x500). Morfologijos tyrimai, kartu su sėklų elementinės sudėties tyrimais, atliekami pirmiausia siekiant vizualiai įvertinti plazmos poveikį sėkloms.
Projekto tikslas – atlikti vienalaikį sėklų modifikavimą plazmoje kartu ant jų paviršiaus suformuojant įvairių medžiagų (Mg, Zn, Se ir kitos) nanoklasterius. Tikimąsi, kad šių fizikinių technologijų taikymas kartu sukurs sinergiją, kuri leis padidinti vertingų antrinių metabolitų kiekį ir ženkliai pagerinti agronomines augalų savybes.
LEI turimų pažangių technologijų dėka mokslininkai eksperimentams naudoja žemos temperatūros plazmą, keičia plazmos generavimo modas (DC, impulsinis DC), gali pritaikyti skirtingas darbinių dujų kompozicijas (oras, N2, O2), pakeisti plazmos generavimo ir elektrodų sudėties konfigūracijas ir pan.







